успешной работы
товаров в каталоге
сделок в месяц
постоянных клиентов
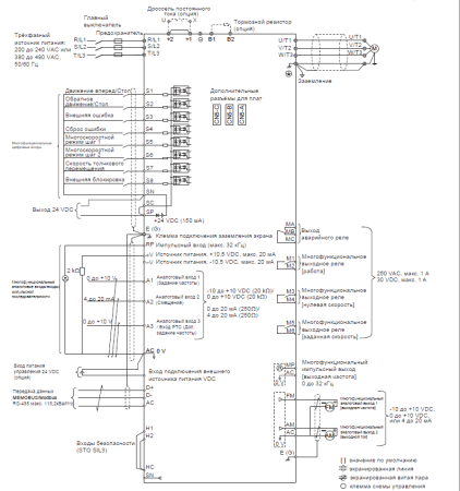
Преобразователь частоты YASKAWA GA700 представляет следующее за 1000 серией поколение. При создании ПЧ GA700 было уделено особое внимание удобству монтажа, интеграции с остальным оборудованием, а также настройки и вводу в эксплуатацию, что нашло отражение и в размерах и конструктиве корпуса, новых функциях и принципиально новом пульте управления. По сравнению с предыдущей серией A1000 удалось уменьшить размеры почти в 2 раза для моделей начиная со средних мощностей, так же удалось снизить и вес.
Основные технические характеристики серии GA700
- охватываемый моделями диапазон мощностей электродвигателями от 0,55 кВт до 630 кВт;
- доступны модели с входным питанием 200В и 400В;
- встроенный фильтр класса С3\С2;
- встроенный дроссель постоянного тока в моделях на мощность с выше 18,5 кВт;
- возможна работа группы ПЧ с питанием от цепи постоянного тока;
- типы подключаемых электродвигателей: асинхронный, синхронные явно полюсные (IPM), не явно полюсные моторы (SPM) и синхронно-реактивные двигатели (Syn RM);
- каждая модель может работать в двух диапазонах мощности в зависимости от нагрузки и выбранной перегрузочной способностью: нормальный режим (ND, перегрузка по току 110% в течении 60 сек) для центробежных насосов и вентиляторов и тяжелый режим (HD, перегрузка по току 150% в течении 60 сек) для приводов станков, конвейеров, миксеров, экструдеров и т.п.;
- пусковой момент 200% на асинхронном моторе без дополнительного запаса по мощности, при скорости 0 Гц даже без использования датчика обратной связи с двигателя;
- типы управления двигателем: вольт/частотный (U/f), разомкнутое и замкнутое векторное управление с и без обратной связи (датчика двигателя) по скорости;
- диапазон выходной частоты от 0 до 590 Гц для стандартных моделей;
- точность задания и отработки частоты: при цифровом управлении 0,01 Гц; при частотном управлении 1\32000; при аналоговом управлении 1/1000 от максимальной частоты, заданной в параметрах;
- возможность обеспечения очень медленных разгонов и торможений исполнительных механизмов (например, дробилок) до 6000 секунд;
- дополнительные функции Droop Control, подавления перенапряжения (Overvoltage Suppression), поиск скорости и KEB (Kinetic Energy Backup) и другие;
- встроенный вход для дополнительного питания платы управления 24В=;
- температура работы от -10 до +50 С, возможна работа до +60 С при снижении мощности.
GA700 работает со всеми опциональными платами A1000, включая сетевые платы EtherCat, Ethernet/IP, Modbus TCP/IP, Profinet, PROFIBUS-DP, CANopen, CC-link, DeviceNet, MECHATROLINK-2, Powerlink. Modbus RTU со скоростью до 115200 кбит/сек есть в каждом ПЧ GA700.
Особенности и новые функции GA700
- Защитное покрытие плат классу 3C2/3S2 по IEC 60721-3-3;
- Приводы мощностью до 75 кВт можно устанавливать в горизонтальном положении;
- Новая функция энергосбережения Smart Power Saver, которая позволяет увеличить КПД на 6% по сравнению с обычными приводами;
- Есть функция контроля нулевой скорости;
- Съемный графический пульт с часами реального времени и возможностью сохранения логов работы на micro SD карту;
- Возможность параметрирования ПЧ по Bluetooth с любого устройства Android, при использовании специального пульта и ПО DriveWizard Mobile;
- Возможность управления пятью частотниками GA700 используя только одну сетевую плату.
|
Название производителя
|
Yaskawa |
|
Мощность, кВт
|
75 |
|
Серия
|
GA700 |
|
Напряжение, В
|
380 |
|
Модель
|
GA70C4140BBA |
|
Ток (А)
|
140 |
|
Количество фаз
|
3 |
|
Выходная частота, Гц
|
0-590 |
|
Степень защиты
|
IP20 |
|
Вес, кг
|
40 |
Для покупки товара в нашем интернет-магазине выберите понравившийся товар и добавьте его в корзину. Далее перейдите в Корзину и нажмите на «Оформить заказ» или «Быстрый заказ».
Когда оформляете быстрый заказ, напишите ФИО, телефон и e-mail. Вам перезвонит менеджер и уточнит условия заказа. По результатам разговора вам придет подтверждение оформления товара на почту или через СМС. Теперь останется только ждать доставки и радоваться новой покупке.
Оформление заказа в стандартном режиме выглядит следующим образом. Заполняете полностью форму по последовательным этапам: адрес, способ доставки, оплаты, данные о себе. Советуем в комментарии к заказу написать информацию, которая поможет курьеру вас найти. Нажмите кнопку «Оформить заказ».
Оплачивайте покупки удобным способом. В интернет-магазине доступно 3 варианта оплаты:
- Наличные при самовывозе или доставке курьером. Специалист свяжется с вами в день доставки, чтобы уточнить время и заранее подготовить сдачу с любой купюры. Вы подписываете товаросопроводительные документы, вносите денежные средства, получаете товар и чек.
- Безналичный расчет при самовывозе или оформлении в интернет-магазине: карты Visa и MasterCard. Чтобы оплатить покупку, система перенаправит вас на сервер системы ASSIST. Здесь нужно ввести номер карты, срок действия и имя держателя.
- Электронные системы при онлайн-заказе: PayPal, WebMoney и Яндекс.Деньги. Для совершения покупки система перенаправит вас на страницу платежного сервиса. Здесь необходимо заполнить форму по инструкции.
Экономьте время на получении заказа. В интернет-магазине доступно 4 варианта доставки:
- Курьерская доставка в в Ростове-на-Дону работает с 9.00 до 19.00. Когда товар поступит на склад в в Ростове-на-Дону, курьерская служба свяжется для уточнения деталей. Специалист предложит выбрать удобное время доставки и уточнит адрес. Осмотрите упаковку на целостность и соответствие указанной комплектации.
- Самовывоз из магазина в в Ростове-на-Дону. Список торговых точек для выбора появится в корзине. Когда заказ поступит на склад, вам придет уведомление. Для получения заказа обратитесь к сотруднику в кассовой зоне и назовите номер.
- Постамат. Когда заказ поступит на точку в в Ростове-на-Дону, на ваш телефон или e-mail придет уникальный код. Заказ нужно оплатить в терминале постамата. Срок хранения — 3 дня.
- Почтовая доставка через почту России. Когда заказ придет в отделение в в Ростове-на-Дону, на ваш адрес придет извещение о посылке. Перед оплатой вы можете оценить состояние коробки: вес, целостность. Вскрывать коробку самостоятельно вы можете только после оплаты заказа. Один заказ может содержать не больше 10 позиций и его стоимость не должна превышать 100 000 р.

